Definisi dan Penjelasan Arduino Lengkap Dengan Gambar
Sejarah Singkat Munculnya Arduino
Semakin canggihnya alat – alat pada zaman modern ini tak lepas dari perkembangan perangkat itu sendiri. Dalam dunia pada saat ini perkembangan komponen elektronika semakin canggih. Kalau dulu kita mengenal komponen elektronika tanpa pemrograman, namun di zaman sekarang komponen elektronika banyak yang menggunakan pemrograman untuk mengeporasikan. Untuk mengoperasikannya sendiri komponen tersebut diperlukan sebuah program dengan Bahasa pemrogramannya sendiri.Arduino merupakan sebuah perangkat yang dirancang dengan kemampuan komputasi yang dapat berinteraksi secara lebih dekat dengan dunia dibandingkan dengan computer biasa. Arduino bersifat open source yang berarti, baik perangkat maupun software bersifat gratis, serta yang lebih enanknya lagi pengembangan perangkat maupun software dapat dikembangkan sesuai dengan kebutuhan user.
Arduino berasal dari Italia, bermula dari sebuah project bagi mahasiswa di Interaction Design Institute Ivrea. Salah satu pemrakarsa terciptanya Arduino berasal dari dosen pengajar di Institute tersebut yang bernama David Cuartielles. Arduino pertama kali diperkenalkan pada tahun 2005 silam. Diciptakannya Arduino untuk membantu permasalahan yang timbul pada saat itu.
Beliau mendesaign sebuah perangkat yang dapat dipasang input, input ini bisa berupa switch maupun sensor dan juga dapat dipasangi output, ouput ini dapat berupa lampu, kipas angin dll. Untuk penrogramannya sendiri Arduino menggunakan Bahasa pemrograman turunan dari Bahasa C+. Maka tak heran jika Bahasa pemrograman antara Bahasa C+ dengan Arduino hampir sama.
Perngertian Arduino
Arduino merupakan sebuah alat yang digunakan untuk mengontrol, memonitoring suatu data analog maupun digital. Arduino bersifat open source yang berarti kita dapat mengembangkan Arduino dengan cara kita sendiri.
Didalam Arduino terdapat miktokontroller yang berfungsi sebagai komponen utama yang digunakan untuk memprogram suatu data untuk menjadikan alat maupun suatu data tertentu. Biasanya tipe mikrokontroller yang digunakan pada Arduino adalah ATMEGA328P.
Agar dapat menjalankan suatu pemrograman yang didalam Arduino kita harus menggunakan sebuah aplikasi. Aplikasi tersebut bernama ARDUINO IDE. Didalam aplikasi tersebut kita dapat memprogram Arduino sesuai kebutujan yang kita inginkan.
Sebelum kita lebih jauh mengenal software dan pemrograman tetang Arduino mari kita mengenal jenis – jenis Arduino terlebih dahulu. Diharapkan ketika kita bisa mengenal jauh tentang jenis – jenis Arduino. Kita dapat menggunakannya sesuai dengan kebutuhan project yang akan kita gunakan.
Jenis - jenis Arduino ( Board Arduino )
Jenis Board Arduino
|
Keterangan
|
Arduino Uno
|
Ø Arduino yang menggunakan chip ATmega 328P dengan paket kemasan DIP.
Ø Untuk komunikas serial menggunkan komunikasi serial atau Uploader USB menggunakan chip mikrokontroller ATmega 16U2.
Ø Terdapat 14 pin input digital dan 6 pin input analog
Ø Bekerja pada frekuensi 16MHz
|
Genuino Uno
|
Ø Arduino yang menggunakan chip ATmega 328P dengan paket kemasan DIP.
Ø Untuk komunikas serial menggunkan komunikasi serial atau Uploader USB menggunakan chip mikrokontroller ATmega 16U2.
Ø Terdapat 14 pin input digital dan 6 pin input analog
Ø Bekerja pada frekuensi 16MHz
|
Arduino Leonardo
|
ØArduino Leonardo hanya menggunakan satu mikrokontroller saja. Mikrokontroller tersebut berfungsi sebagai pusat kendali dan sekaligus komunikasi serial.
ØArduino Leonardo menggunakan chip ATmega 32U4 dengan paket kemasan SMD
|
Arduino Mega 1280
|
ØMikrokontroller yang digunakan ATmega 1280.
ØUntuk komunikasi USB menggunakan chip FT232XX dari FTDI.
ØMempunyai 54 pin input – output digital.
ØMempunyai 16 pin input analog
|
Arduino Mega 2560
|
ØMikrokontroller yang digunakan adalah jenis ATmega 2560.
ØUntuk komunikasi serial menggunakan chip tambahan ATmega 16U2.
ØMempunyai 54 pin input – output digital
ØMempunyai 16 pin input analog.
ØFlash memori yang terdapat pada Arduino mega 2560 adalah 256 KB.
|
Arduino Nano
|
ØMikrokontroller yang digunakan adalah ATmega 328.
ØTerdapat 14 input – output digital.
ØTerdapat 8 pin input analog.
ØUkuran PCB dari board Arduino Nano lebih kecil dari board Arduino yang lainnya.
|
Selain board Arduino diatas, proteus juga mendukung berbagai jenis simulasi untuk board Arduino lainnya menggunakan mikrokontroller tipe ATmega 168 maupun jenis mikrokontroller yang lainnya. Untuk informasi lebih lanjut tentang board Arduino dapat dilihat melalui situs resminya dengan alamat www.arduino.cc/en/Main/Products.
Gambar Schematic Arduino
![]() |
| Schemeatic Arduino Uno R3 |
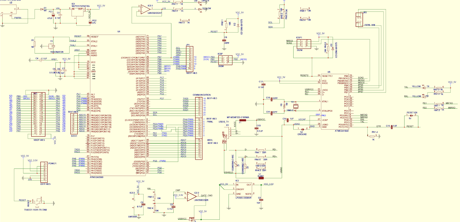
![]() |
| Schematic Arduino Mega |
![]() |
| Schematic Arduino Leonardo |
![]() |
| Schematic Arduino Nano |












No comments for "Definisi dan Penjelasan Arduino Lengkap Dengan Gambar"
Post a Comment